Länge des Gewindeschafts

Haben Sie produktspezifische Fragen ?

Moderator: T.Hoffmann

Antworten
FAQ-Forum-Bot
Mini-User
Beiträge: 0
Registriert: Mo, 18.01.10, 13:41

Di, 19.09.17, 13:08

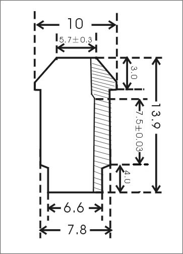
Wie lang ist der Gewindeschaft, wie dick darf das Brett max sein.

-------------------------------------------------------------------------------------------------------------------------------------------------
Diese Frage von Steiert bezieht sich auf LED Schraube weiß, IP67, 24V und wurde durch den FAQ-Bot automatisch eingestellt.
Benutzeravatar
R.Kränzler
Moderator
Beiträge: 1700
Registriert: Mo, 26.11.07, 08:49
Wohnort: Haigerloch

Di, 19.09.17, 13:43

Zeichnung_LED-Schrauben.jpg
Zeichnung_LED-Schrauben.jpg (23.99 KiB) 6117 mal betrachtet
Antworten