Warum ändert sich der Stromfluss

Fragen zu Schaltungen, Elektronik, Elektrik usw.

Moderator: T.Hoffmann

Antworten
WilliSH
Mini-User
Beiträge: 8
Registriert: Sa, 02.03.24, 17:51

So, 23.02.25, 12:02

Hallo,
ich beschäftige mich seit kurzem mit der Elektronik.
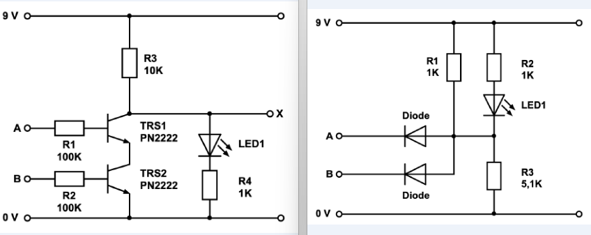
Bei den beiden Schaltungen leuchtet die LED, wenn A oder B oder beide mit 0 V verbunden sind
Wenn A und B mit 9 V verbunden sind leuchtet die LED nicht.
Ich frage mich WARUM. Denn die LEDs sind doch dauerhaft mit 9 V und 0 V verbunden.
Bei der linken Transistorschaltung werden die Transistoren leitend , wenn A und B mit 9 V verbunden sind.
Der Strom kann also durch die Transistoren fließen. Aber warum fließt er nicht mehr durch R3, die LED und durch R4?

2NAND.png
2NAND.png (43.26 KiB) 11088 mal betrachtet
Borax
Star-Admin
Star-Admin
Beiträge: 12243
Registriert: Mo, 10.09.07, 16:28

Mo, 24.02.25, 11:27

Denn die LEDs sind doch dauerhaft mit 9 V und 0 V verbunden.
Nein. Sonst würden sie ja sofort durchbrennen. Sie sind über Widerstände mit 9V / 0V verbunden.
Fangen wir mit der Transistorschaltung an. Wenn A oder B oder beide offen sind (mit nichts verbunden) ODER mit 0V verbunden passiert gar nichts. Die Transistoren sind hochohmig und für die LED sieht es so aus als ob sie gar nicht da wären. Wenn A oder B mit 9V verbunden werden (und der andere Eingang offen ist oder mit 0V verbunden) passiert immer noch nichts weil ja ein Transistor nach wie vor hochohmig ist. Nur wenn beide mit 9V verbunden werden schließen sie Punkt X nach Masse kurz und die LED geht aus weil die Spannung an Punkt X nahe 0V liegt.
Bei der zweiten Schaltung ist es ähnlich aber aus anderen Gründen. Wenn A oder B oder beide offen sind oder mit 9V verbunden sind passiert aus Sicht der Led gar nichts. Es gibt keinen Stromfluss durch die Dioden. Relativ zum Punkt wo die LED mit R3 verbunden ist sind die Dioden in Sperrrichtung und damit hochohmig. Also hängt die Spannung am Punkt wo die LED mit R3 verbunden ist nur vom Spannungsteiler aus R1 und R3 ab (R2 + LED vernachlässigen wir erst mal). Bei einem Spannungsteiler aus 1K + 5K bleiben etwa 1/6 der Spannung an R1 und 5/6 an R3. Der Punkt wo die LED mit R3 verbunden ist hat dann etwa ein Potential von 7.5V (9V * 5/6). D.h. die LED bekommt von den 9V nur 1.5V 'zu sehen'. Damit leuchtet sie nicht. Wenn dagegen A oder B oder beide mit 0V verbunden werden leitet die Diode (eine oder beide) und zieht den Punkt wo die LED mit R3 verbunden ist von den rund 7.5V auf etwa 0.7V runter (welche Spannung genau hängt von der Diode ab). Bei 0.7V an diesem Punkt wird R3 also quasi überbrückt und es fließt ein Strom durch R2 + LED (und nebenbei ein größerer Strom durch R1 und Diode)
WilliSH
Mini-User
Beiträge: 8
Registriert: Sa, 02.03.24, 17:51

Mo, 24.02.25, 18:34

Nein. Sonst würden sie ja sofort durchbrennen. Sie sind über Widerstände mit 9V / 0V verbunden.
Das meinte ich ja auch.
Nur wenn beide mit 9V verbunden werden schließen sie Punkt X nach Masse kurz und die LED geht aus weil die Spannung an Punkt X nahe 0V liegt.
Das ist genau das, was ich nicht verstehe. Warum kommt dort keine Spannung mehr an?
Die Verbindung ist doch von 9V über R3, die LED1 und R4 nach 0 V vorhanden.
dieterr
Hyper-User
Hyper-User
Beiträge: 1188
Registriert: Mo, 04.01.16, 18:16

Mo, 24.02.25, 18:49

Stelle dir die Transistoren mal als Schalter vor. Wenn A und B Spannung hat, wären beide Schalter geschlossen, sprich das untere Ende von R3 (X) direkt mit 0V verbunden. Und hat damit auch die Spannung von 0V, wenn man es misst.

Bei 0V leuchtet die LED natürlich nicht mehr.
Borax
Star-Admin
Star-Admin
Beiträge: 12243
Registriert: Mo, 10.09.07, 16:28

Di, 25.02.25, 14:23

Um es noch ein wenig präziser auszudrücken... Ein Transistor ist ja kein Schalter, sondern eher ein steuerbarer Widerstand. Im durchgeschalteten Zustand hat er vielleicht 10 Ohm. 2 hintereinander also 20 Ohm. D.h. du hast jetzt einen Spannungsteiler aus R3 (10 KOhm) und 20 Ohm. Dann bleiben von den 9V 99.8% an R3 'hängen' und für die LED bleiben nur noch 0.02V
dieterr
Hyper-User
Hyper-User
Beiträge: 1188
Registriert: Mo, 04.01.16, 18:16

Di, 25.02.25, 18:42

Borax hat geschrieben: Di, 25.02.25, 14:23 Um es noch ein wenig präziser auszudrücken... Ein Transistor ist ja kein Schalter, sondern eher ein steuerbarer Widerstand.
Und auch das stimmt so nicht. Ist aber für das Beispiel und zum Verständnis irrelevant.
Gerechnet sind es übrigens 88mV, also rund das vierfache.
WilliSH
Mini-User
Beiträge: 8
Registriert: Sa, 02.03.24, 17:51

Do, 27.02.25, 12:04

Um es noch ein wenig präziser auszudrücken... Ein Transistor ist ja kein Schalter, sondern eher ein steuerbarer Widerstand. Im durchgeschalteten Zustand hat er vielleicht 10 Ohm. 2 hintereinander also 20 Ohm. D.h. du hast jetzt einen Spannungsteiler aus R3 (10 KOhm) und 20 Ohm. Dann bleiben von den 9V 99.8% an R3 'hängen' und für die LED bleiben nur noch 0.02V
Ich glaube, jetzt habe ich es verstanden.

Vielen Dank
Antworten