Guten Morgen,
so ich habe in letzte Zeit wieder viele Fragen die mir durch den Kopf gehen oder durch rumprobieren auftreten.
Und zwar habe ich eine LED Leiste gebastelt:
5 x Blaue LED's
5 x Weiße LED's
Sie sollten folgendermaßen geschaltet werden:
1. Alle anschalten
2. nur die Blauen anschalten
Verwendeter Kippschalter:
Kann ich die LED's an diesem Schalter so anschließenm, das die von mir genannte Schaltung möglich ist?
Ich habe gestern ewig rumgemacht, bis ich dann rausgefunden habe das das nicht funktioniert. (Weil ich nicht gleich von vorne geplant hatte. Das passiert mir auch nicht mehr.)
Erklärung warum es nicht geht:
Links schließe ich Weiß an und rechts Blau. Soweit so gut, jetzt kann ich schon zwischen "nur Blau" oder "nur Weiß" wechseln.
Zusätzlich habe ich dann aus dem Blaunen Anschlußkabel zwei gemacht sprich ich dem blauen Anschlußkabel zwei Köpfe verpasst.
Jetzt habe ich Blau rechts angeschloßen und Weiß links, zusätzlich habe ich dann den zweiten Kopf von Blau zusätzlich noch bei Weiß angschlossen. Hier ist dann auch der Fehler: Wenn ich den rechten anmache wo nur Blau ist, geht weiß trotzdem mit an, weil der Strom über die zweite Leitung rüber zu weiß fliegt.
Ich habe lange überlegt, und bin zu dem Enschluss gekommen, das es mit diesem Schalter nicht funktioniert, so eine Schaltung aufzubauen wie ich vorhatte. (Nur Blau und Blau + Weiß angeschalten)
Ich bräuchte eigentlich einen Schalter mit zwei getrennten Stromkreisen.
Oder täusche ich micht?
Anschlussfrage an einen Kippschalter. (An / Aus / An)
Moderator: T.Hoffmann
- D.Stegmann
- Mega-User

- Beiträge: 473
- Registriert: So, 10.09.06, 20:20
- Wohnort: Erlangen
- Kontaktdaten:
Mit Relais oder Transistoren ist das kein Problem. Oder du nimmst einen Schalter mit 6 statt 3 Anschlussteilen (was wahrscheinlich billiger wäre).
#Edit: Jo mit Diode gehts auch Mominik
. Ich denk zu kompliziert
.
#Edit: Jo mit Diode gehts auch Mominik
Zuletzt geändert von Morbus am Do, 14.08.08, 09:27, insgesamt 2-mal geändert.
Bei der Diode musst mal kucken, ob der Helligkeitsunterschied mit und ohne Diode auffällig ist, weil an dieser ja auch noch mal n gutes halbes Volt abfällt. Notfalls an den anderen Ausgang des Schalters auch noch mal eine ranhängen.
- D.Stegmann
- Mega-User

- Beiträge: 473
- Registriert: So, 10.09.06, 20:20
- Wohnort: Erlangen
- Kontaktdaten:
Okay, danke euch.
Ich habe eine Schalter mit 6 Lötösen, nur mit dem bekomme ich es auch nicht hin, des ist glaub ich nur dafür das man mehr anschließen kann.
mfg
Daniel
Ich habe eine Schalter mit 6 Lötösen, nur mit dem bekomme ich es auch nicht hin, des ist glaub ich nur dafür das man mehr anschließen kann.
mfg
Daniel
- Venga
- Hyper-User

- Beiträge: 1039
- Registriert: Sa, 17.02.07, 23:33
- Wohnort: Schleswig-Holstein
- Kontaktdaten:
Das sind 3x plus und 3x minusD.Stegmann hat geschrieben:Okay, danke euch.
Ich habe eine Schalter mit 6 Lötösen, nur mit dem bekomme ich es auch nicht hin, des ist glaub ich nur dafür das man mehr anschließen kann.
mfg
Daniel
- D.Stegmann
- Mega-User

- Beiträge: 473
- Registriert: So, 10.09.06, 20:20
- Wohnort: Erlangen
- Kontaktdaten:
Okay, vielen Dank.
Da habe ich beim anschließen dann nur einen Fehler drin.
Da habe ich beim anschließen dann nur einen Fehler drin.
- jamaica14x
- User

- Beiträge: 12
- Registriert: So, 17.08.08, 12:23
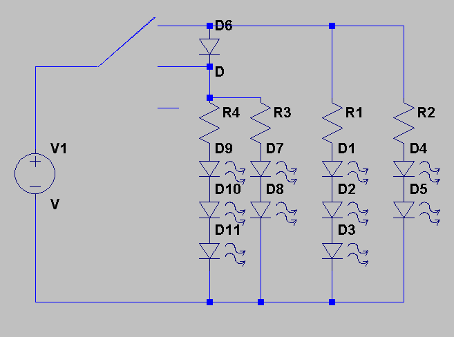
Du kannst es docheinfach so machen:
Du kannst Weiß dann einfach nicht alleine anschalten wollteste doch auch nicht oder?
Das ist haargenau das gleiche, wie das was ich geposted habe, bzw. Dieter_W optimiert hat. Nur meins sieht professioneller ausjamaica14x hat geschrieben:Du kannst es docheinfach so machen: Du kannst Weiß dann einfach nicht alleine anschalten wollteste doch auch nicht oder?
